国务院
省政府
市政府
你好,
注销
登录
注册
移动版
闽政通APP
网站支持IPV6
首页
市政府
政务公开
解读回应
办事服务
互动交流
走进福清
市 长
陈登峰
副 市 长
李文清
白 瑞
林鹤志
莫开奇
郑 云
林万焰
林 雄
王豪杰
党组成员
王新刚
俞 华
政府会议
政府工作报告
政府信息公开
领导之窗
机构职能
财政资金
公示公告
人事任免
规划计划
政策文件库
重点领域信息公开
专题专栏
回应关切
国家政策解读
福建省政策解读
福州市政策解读
本市政策解读
办事资源检索
权责清单
便民服务大厅
公共服务
便民服务导图
智能问答
诉求件查询
互动交流知识库
用户留言情况分析
网上信访
12345便民服务平台
意见征集
网上调查
在线访谈
欢迎访问福清市人民政府门户网站
历史搜索:
热门搜索:
长者模式
退出长者模式
无障碍浏览
当前位置:
首页
政府网站年度报表
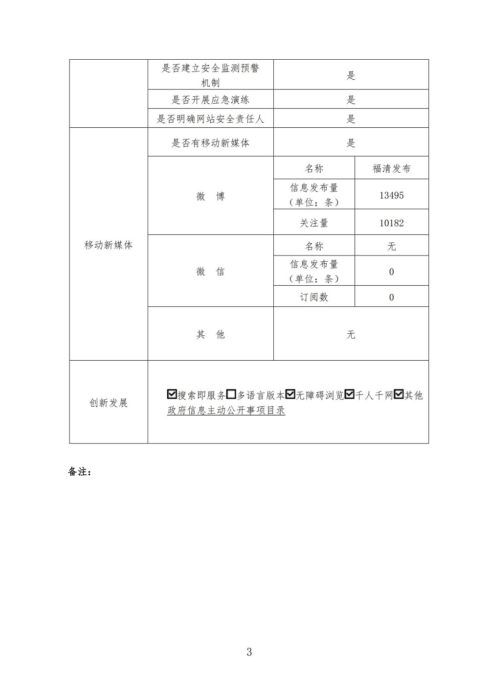
2025年福清市人民政府办公室政府网站工作年度报表
时间:2026-01-07 18:31
微信
微博
QQ空间
来源:福清市政务服务中心
附件下载
扫一扫在手机上查看当前页面
关闭
相关链接